
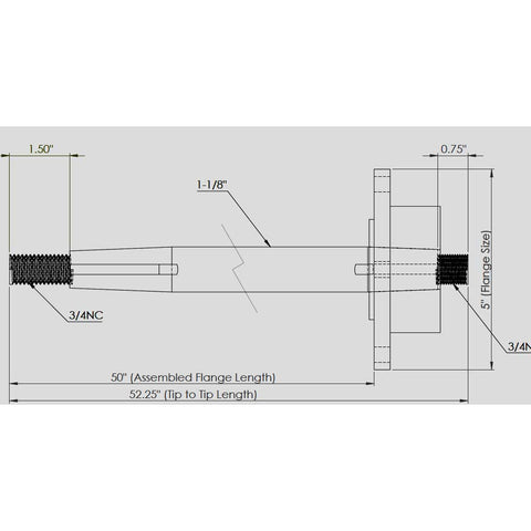
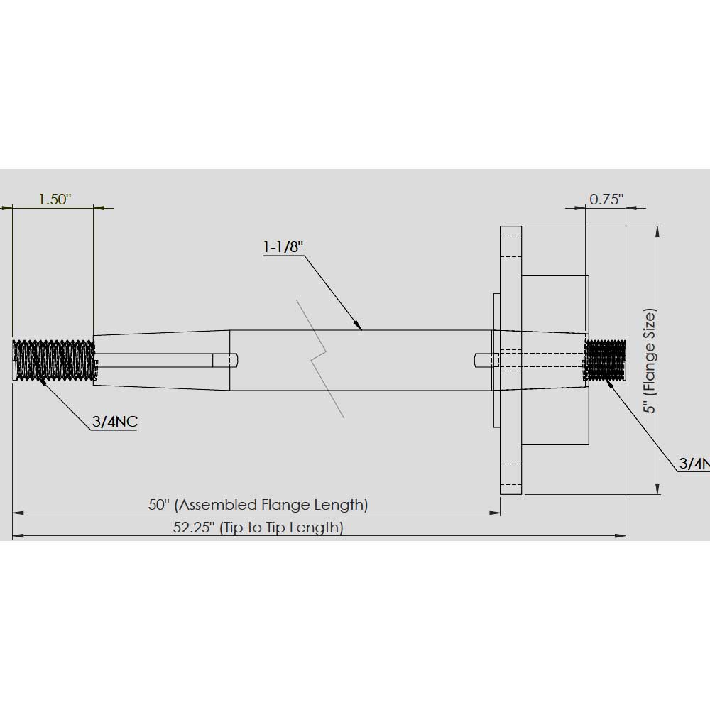
1-1/8" X 5" Inboard Shaft System With Inverted Hurth Steel Coupler Dual Taper 50.00" Assembled Length
Home
UNDERWATER GEAR
1-1/8" X 5" Inboard Shaft System With Inverted Hurth Steel Coupler Dual Taper 50.00" Assembled Length
1-1/8" X 5" A.R.E Inboard Shaft System With Inverted 5" Face Diameter Hurth Steel Coupler Dual Taper
-
Shaft length is 52.250 Long
-
Assembled Length with coupler seated from inside face of flange is 50.00"
-
1-1/8" Shaft Diameter
-
5" Coupler Face Diameter Steel Coupler Hurth Reversed Coupler
System Drive Shaft Complete - Includes, shaft, coupler, keys, set screws, nut and cotter pins.
Notice! - When you are measuring the assembled length of your shaft, be very sure to measure from the face of the coupler flange, while it is seated on the shaft, to the end of the shaft as shown in the pictures please.
System Drive Shaft. The patented A.R.E. System is a double-taper drive shaft and coupling setup designed to greatly reduce the time and effort needed to remove and replace drive shafts. When used with tools developed by A.R.E. for drive train maintenance, the System typically cuts installation time in half.